欢迎光临深圳市安能电子科技有限公司官网!
15年专注防雷 过压 过流保护电路保护元器件定制生产厂家
全国咨询热线:0755-85251858
联系我们
深圳市安能电子科技有限公司
全国免费服务热线:0755-85251858
手机:19168965535
邮箱:203741605@qq.com
地址 :深圳市宝安区西乡街道固兴社区腾联路6号厂房三楼
地址 :香港九龙旺角弥敦道610号荷李活商业中心1318-19室(香港)
联系人:刘小姐
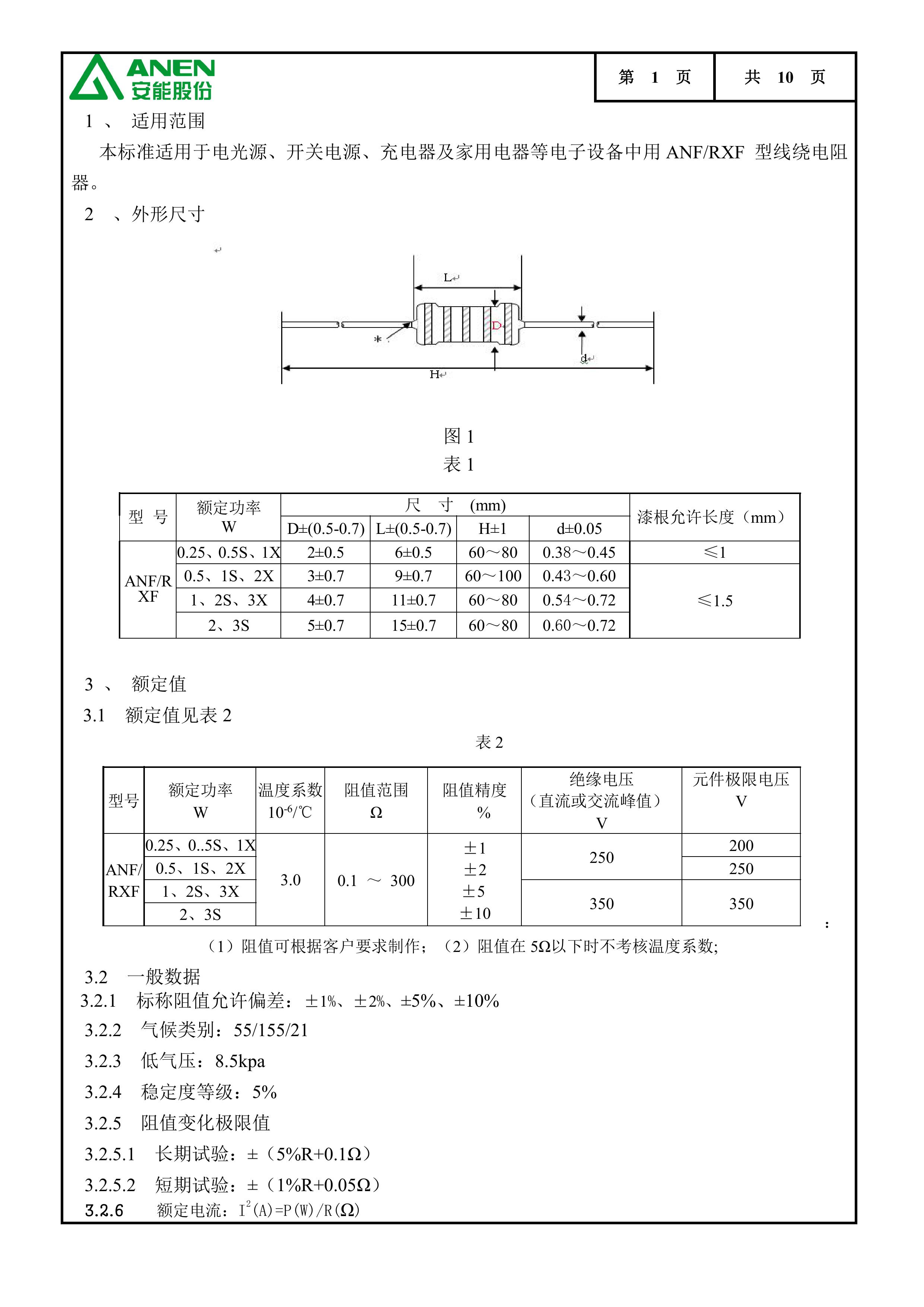
您的位置: 首页 > 产品中心 > 电阻器 > ANF线绕电阻 >
ANF线绕电阻

ANF1W系列插件线绕电阻

额定功率 :
ANF1/2W、ANF1WS、ANF2W
安规认证:
UL,CQC,ROHS










标签:
在线客服
联系方式

热线电话

19168965535

上班时间

周一到周五

公司电话

0755-85251858

二维码
线